506 anunțuri
Disc frana seat exeo - oferte.


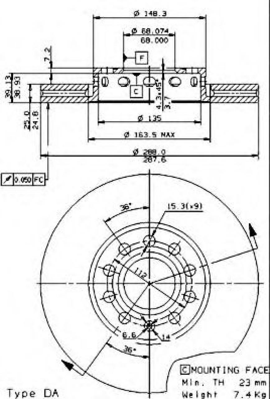
Disc frana punte fata (0986478546 BOSCH) AUDI,AUDI (FAW),SEAT,SKODA,VW,VW (SVW)
183 Lei
PieseAutoSuceava
Căutări recente în anunțuri piese și accesorii:
stop central suport lampa
03g906016jb
ecu blb 2.0 tdi
capota x1 f48
bara fata x1 f48
ornamente bara spate mercedes
curea transmisie contitech 6pk2000
tub turbo cod 6r0129684c
nl l
for a moment
6465 76
bara spate cod 3c9807521a
set far bmw x1 f48
fete usi europa renault
vas spalator fiat albea
set covorase din mocheta 2017 2017 2009 2017 2009 2017
nu este la locul destinat
nu este in locul destinat
set rulment roata 08080